P&ID

P&ID(공정배관계장도)


개요

“공정배관계장도 (P&ID, Piping & Instrument Diagram)”라 함은 공정의 시운전(Start-up operation), 정상운전(Normal operation), 운전정지(Shut down), 및 비상운전(Emergency operation) 시에 필요한 모든 공정장치, 동력기계, 배관, 공정제어 및 계기등을 표시하고 이들 상호간에 연관 관계를 나타내 주며 상세설계, 건설, 변경, 유지보수 및 운전 등을 하는 데 필요한 기술적 정보를 파악 할 수 있는 도면을 말한다.

공정배관계장도 표시 사항

  • 일반사항
    1. 공정배관계장도에 사용되는 부호(Symbol) 및 범례도(Legend)
    2. 장치 및 기계, 배관, 계장 등 고유번호 부여 체계
    3. 약어․약자 등의 정의
    4. 기타 특수 요구사항
  • 장치 및 동력기계
    1. 모든 장치와 장치의 고유번호, 명칭, 용량, 전열량 및 재질 등의 주요명세
    2. 모든 동력기계와 동력기계의 고유번호, 명칭, 용량 및 동력원(전동기, 터빈 또는 엔진등) 등의 주요명세
    3. 탑류, 반응기 및 드럼 등의 경우에는 맨홀, 트레이(Tray)의 단수, 분배기(Distributor) 등 내부의 간단한 구조 및 부속품
    4. 모든 벤트 및 드레인의 크기와 위치
    5. 장치 및 동력기계의 연결부
    6. 장치 및 동력기계의 보온, 보냉 및 트레이싱(Heat tracing
  • 배관
    1. 배관 및 닥트의 호칭지름, 배관번호, 재질, 플렌지 호칭압력, 보온 또는 보냉 등
    2. 정상운전, 시운전시에 필요한 모든 배관에 설치되어 있는 벤트 및 드레인
    3. 모든 차단밸브 및 밸브의 종류
    4. 특별한 부속품류, 시료채취배관, 시운전용 및 운전중지에 필요한 배관
    5. 스팀이나 전기에 의한 트레이싱(Heat tracing)
    6. 보온 및 보냉의 종류
    7. 배관의 재질이 바뀌는 위치 및 크기
    8. 공급범위 등 기타 특수조건 등의 표기
  • 계측기기
    1. 센서, 조절기, 지시계, 기록계, 경보계 등을 포함한 제어 계통
    2. 분산제어시스템(DCS) 또는 아날로그 등 제어장치의 구분
    3. 현장설치계기, 현장판넬표시계기, 분산제어시스템 표시계기 등의 구분
    4. 고유번호, 종류, 형식, 기능
    5. 자동조절밸브와 긴급차단밸브의 크기, 형태, 측관의 규격 및 정전과 같은 이상시 밸브의 개폐 위치
    6. 공기 또는 전기 등 신호라인(Signal line)
    7. 안전밸브의 크기, 설정압력 및 토출측 연결부위의 조건
    8. 계장용 배관 및 계기의 보온종류
    9. 비정상운전 및 안전운전을 위한 연동시스템


도면의 작성

  • 작성 원칙
    1. 도면은 공정계통도를 기초로하여 작성하여야 한다. 다만, 영 제43조제1항제1호부터 제7호까지에 해당하지 아니하는 사업장으로서 공정특성상 공정흐름도와 공정배관ㆍ계장도를 분리하여 작성하기 곤란한 경우에는 공정흐름도와 공정배관ㆍ계장도를 하나의 도면으로 작성할 수 있다.
    2. 유틸리티 계통도에 관한 배관계장도는 공정배관계장도 작성 기준에 의거 별도로 작성하여야 한다.
  • 표시
    1. 도면은 약어와 부호(Symbol)를 이용하여 간단하고 일목요연하게 작성한다.
    2. 도면에는 공정 또는 지역 등을 포함하여 고유의 도면번호를 부여하여야 한다.
    3. 도면에 기기를 배치함에 있어서 축척을 사용할 필요는 없으나 상대적 높이와 크기를 표시하며, 특별한 경우에는 배관의 경사 및 장치의 지지대 높이등을 명기한다.
    4. 유체의 흐름방향은 도면의 좌측에서 우측으로, 위에서 아래로 되도록 하며 좌우의 선과 상하의 선이 교차하는 경우에는 좌우의 선을 우선 하여 표시하고 상하의 선을 끊어서 표시한다
    5. 하나의 유체가 2매 이상의 도면으로 연결되는 경우에는 연결되는 도면번호 및 연결장치 등의 고유번호 등을 표기하여 흐름의 연결을 표시하여 쉽게 알아볼 수 있도록 한다.
    6. 모든 계기는 동그라미에 계기번호를 표시하여야 하며 동그라미 안의 상단부에는 계기의 측정대상과 기능을 표시하고 동그라미의 우측상단과 하단에 경보유무를 표시하여야 한다.
    7. 시공이나 운전상 특별히 필요한 사항은 도면의 우측 상단에 주기한다.
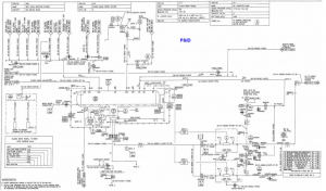
P&ID-예시.png


장치 및 동력기계 고유번호 부여 방법

  • 고유번호는 단위공장, 지역, 기기의 종류 및 병렬운전 또는 설치 예비기기 등을 쉽게 구분할 수 있도록 정한다.
  • 고유번호는 다음을 참고하여 사업장의 실정에 맞게 부여한다.
고유번호.png
  • 기기의 머리글자는 기기의 종류에 따라 다음을 참고하여 사업장의 실정에 맞게 표기 할 수 있다.
P 교반기류 C 압축기류
AG 교반기류 HT 호이스트류
T 탑류 R 반응기
D 드럼류 TK 저장탱크류
E 열교환기류 H 히타류
V 용기류 X 공급자 일괄공급기기


배관번호 부여방법

  • 배관번호에는 배관의 호칭지름. 유체의 종류, 일련번호, 재료명세 및 보온 코드 등이 포함되도록 표시한다.
  • 배관번호는 다음을 참고하여 사업장의 실정에 맞게 부여한다.
고유번호부여.png
  • 유체는 종류에 따라 약어로 표시한다.
  • 재질명세는 다음을 참고하여 사업장의 실정에 맞게 표시한다.
재질명세.png


계기의 고유번호 부여방법

  • 고유번호에는 계기의 측정대상, 기능, 공정 및 루프(Loop)번호 등이 포함되도록 표시 한다.
  • 계기번호는 다음을 참고하여 사업장의 실정에 맞게 부여한다.
계기번호.png
  • 루프(Loop)를 구성하는 모든 계기번호는 동일하게 부여한다.


범례도(Legend)

  • 공정배관계장도면에 나타나는 모든 밸브, 스트레이나, 감시창(Sight glass)
  • 배관의 사양
  • 시운전 또는 비상운전시 등에 필요한 모든 보조배관
  • 유틸리티 스테이션 등의 표준도(Typical detail)
  • 1회 이상 사용되는 특별한 사항
  • 공정배관계장도에서 사용되는 약어
P&ID 레전드.png


도면관리

  • 원본의 관리
    1. 원본은 총괄적으로 도면을 관리하는 부서를 지정하여 관리한다.
    2. 원본을 관리하는 부서의 장은 최소 1년에 1회 이상 현장과 일치 여부를 확인하고 갱신하여야 한다.
    3. 원본을 수정한 후에는 수정내용, 수정일자 및 수정자 등을 기록하여야 한다.
  • 사본의 관리
    1. 사본을 사용하는 생산 및 정비부서의 장은 사본을 현장에 비치하여 필요시 즉시 사용할 수 있어야 한다.
    2. 현장에서 변경이 일어난 경우에는 사본에 붉은 색깔로 표시하여 사용하고 원본관리를 하는 부서에서 원본을 갱신할 수 있도록 변경 즉시 원본을 관리하는 부서에 통보하여야 한다.